首頁產品資訊
產品特色
♦負載能力:提供 2 kg 與 5 kg 兩種型號,滿足不同作業需求。
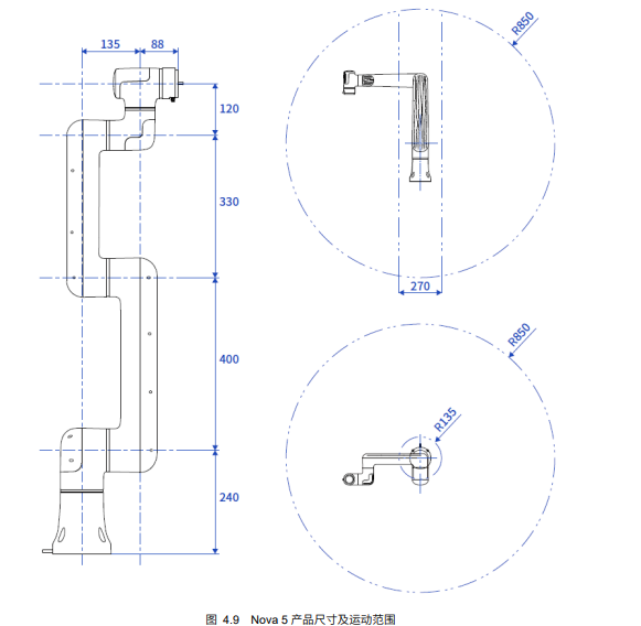
♦工作半徑:Nova 2 為 625 mm,Nova 5 為 850 mm,適應多樣工作空間。
♦精度:定位精度達 ±0.05 mm,確保高精度作業。
♦機身設計:機身輕量化,減重 33%-44%,體積縮小 20%,適合狹小空間部署。
♦控制方式:支援拖動示教與圖形化編程,無需專業經驗即可快速上手。
♦安全防護:內建多重安全防護技術,包括碰撞感知與人機協作保護。
♦應用場景:適用於智慧餐飲、數位零售、健康理療等多種商業場景。
♦外觀設計:支援客製化外觀色彩,快速搭配各類品牌風格。
適用領域
♦餐飲業:可應用於咖啡拉花、冰淇淋製作、飲料調製等自動化作業。
♦零售業:適用於商品分揀、包裝、上架等流程,提升作業效率。
♦理療與健康產業:可用於按摩、艾灸等服務,提供高品質的顧客服務體驗。
♦教育與科研:作為教育與科研機構的教學與研究工具,支援多種應用場景。
♦負載能力:提供 2 kg 與 5 kg 兩種型號,滿足不同作業需求。
♦工作半徑:Nova 2 為 625 mm,Nova 5 為 850 mm,適應多樣工作空間。
♦精度:定位精度達 ±0.05 mm,確保高精度作業。
♦機身設計:機身輕量化,減重 33%-44%,體積縮小 20%,適合狹小空間部署。
♦控制方式:支援拖動示教與圖形化編程,無需專業經驗即可快速上手。
♦安全防護:內建多重安全防護技術,包括碰撞感知與人機協作保護。
♦應用場景:適用於智慧餐飲、數位零售、健康理療等多種商業場景。
♦外觀設計:支援客製化外觀色彩,快速搭配各類品牌風格。
適用領域
♦餐飲業:可應用於咖啡拉花、冰淇淋製作、飲料調製等自動化作業。
♦零售業:適用於商品分揀、包裝、上架等流程,提升作業效率。
♦理療與健康產業:可用於按摩、艾灸等服務,提供高品質的顧客服務體驗。
♦教育與科研:作為教育與科研機構的教學與研究工具,支援多種應用場景。






下載專區

